幅30 mm、スリムな IO-Link I/O ボックス
Axioline E シリーズ

フィールド設置用IO-Link I/Oボックス(IOハブ)、最大8のデジタルセンサを接続可能です。2種類、デジタル入力8点とデジタル入出力8点から選べます。
このAxioline E機器はIO-Linkデバイスである、IO-Link クラスAポートを介してIO-Linkマスタに接続することができます。そのため、IO-Linkを介してデジタル信号の取得および出力ができます。IO-Linkマスタにより、各種産業ネットワーク内での使用が可能です。
主な特長
- M12コネクタでIO-Linkマスタに接続(Aコード、4極)
- IO-LinkクラスA デバイス
- IO-Link仕様 v1.1.3
- M12コネクタで最大8点の入力または最大8点の入出力の接続(Aコード、5極)
- 保護等級 IP65 / IP67 / IP69
- シングルチャネル診断
- 全体幅30 mm
有利な特長
- 限られたスペースでも、プロセスのすぐ隣でセンサとアクチュエータを接続可能
- 最小限のケーブル配線作業で高性能
- M12 push-pull高速接続テクノロジですばやく設置
- 堅牢設計で長い製品寿命と高いシステム可用性
- 将来に向けたオートメーションのための理想的な接続性
寸法図

ブロック図


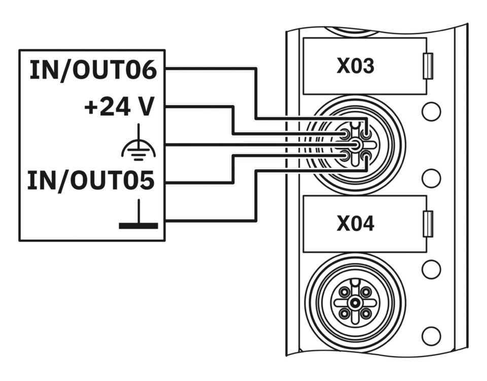
I/O 接続、1つコネクタ2点まで
1つのM12コネクタはI/O 2点まで接続可能です。センサ用の電源とシールドようの接地接続もございます。


ラインアップ

製品番号 型式 詳細
1480995 AXL E IOL DIO8 M12 3M デジタル入出力、8点
1480996 AXL E IOL DI8 M12 3M デジタル入力、8点
関連製品:IO-Linkマスタ
本製品はIO-Linkデバイスの為IO-Linkマスタに接続してで動作します。下記のリンクでIP20からIP69仕様IO-Linkマスタを紹介します。
<<IP69仕様含めてIO-Linkマスタの豊富なラインアップ>>


マスタ(左)、デバイス(右)
参照
関連記事
自由に組み合わせられる高密度I/O「Axioline Smart Elements」
関連リンク
パンフレット:オートメーション・イノベーション (PDF)
製品ページ
AXL E IOL DIO8 M12 3M (1480995)
https://www.phoenixcontact.com/ja-jp/products/digital-module-axl-e-iol-dio8-m12-3m-1480995
AXL E IOL DI8 M12 3M (1480996)
https://www.phoenixcontact.com/ja-jp/products/digital-module-axl-e-iol-di8-m12-3m-1480996