フルカラー1677万色RGB、IO-Link対応積層信号灯【 PSD-SC 】
IIFES2025(11月18日~21日)で体験できます。
PSD-SC シリーズ
IO-Linkインターフェースを備えた新しい設定可能な積層信号灯です。
PSD-SCシリーズの3つの新しい設定可能な積層信号灯で、シグナリングデバイスのポートフォリオを拡張します。これらのモデルは、最大 15個の RGB セグメント、さまざまな動作モードを備え、IO-Link インタフェースで簡単に設定できます。

PSD-SC シリーズの新しい積層信号灯は、9 個または 15 個の RGB セグメントを持つ 2 種類のサイズがあり、トラフィックライト、自動スケール、充填レベル、個別点灯ステータス表示を含む 4 つの動作モードで、産業機械の状態を正確に表示できます。RGBセグメントは個別に制御でき、高輝度で日中でも視認性が良いのが特徴です。2つのバージョンには、6つのキーに10個の音色を持つ音響エレメントが内蔵されており、視覚的な信号を音響で補足します。信号灯は PLCnext Engineer の IODD 統合により IO-Link 経由で設定でき、既存のオートメーションシステムに簡単に統合できます。IP66/IP69K、ULタイプ4/4X、IK08の保護等級を備えた堅牢な設計により、過酷な産業環境でも安心して使用できます。M12 接続テクノロジと柔軟な取付けオプション(床取付け、パネル取付け、パイプ取付け)により、信号灯はさまざまなアプリケーションで使用できます。

特長
柔軟性
■ 4つの動作モード:積層信号灯モード、自動スケールモード、充填レベルモード、個別点灯モードにより柔軟性があります。
■ 照明面の各セグメントの色、輝度、点灯効果を個別に設定することができます。
■ セグメントの色は基本の8色やフルRGB指定(1677万色以上)で設定可能です。
■ 音響エレメント(80 ~ 105 db(A) サイレン)付きタイプならプリセット10種類の音響効果を自由に設定可能です。
見えやすい
・システム状態の明確な識別
・広い信号伝達範囲
・機能指向の信号伝達
・セグメント毎一つの色で光る、はっきり状態を伝わる
・セグメントは点灯してない時、ニュートラルカラー(無色)になり、誤解が発生しない
配線が簡単
M12コネクタ(Aコード)接続により配線が簡単です。
汎用性
IO-Link デバイスクラスA、IO-Link仕様 v1.1 である、IODDデバイス定義ファイルにより汎用IO-Link設定ツールやPLCnext Engineerなど経由、簡単に設定可能です。
海外規格
UL/CEなど豊富な規格対応。
堅牢設計
電子的および機械的に堅牢な設計、ULタイプ4/4Xにより屋外使用が可能です。



保護等級防塵・防水・衝撃・振動の試験を通って様々なアプリケーションで利用できます。

動作モード詳細
積層信号灯モード
従来通りの積層信号灯のように固定位置と固定サイズで色掛けてます。5段まで設定可能です。

自動スケールモード
点灯中の信号の数で自動スケール(動的割合変動)して点灯するモードです。5段まで可能です。

赤と緑点灯の場合、半々赤と緑に点灯する(右)
充填レベルモード
充填レベル0%~100%に表すモードです。タンクのレベル、材料の残り表示などに適切なモードです。

個別点灯モード
それぞれのセグメントが独立して点灯指定できます。セグメント毎、指定されている色・点灯効果で個別に点灯します。フルカスタマイズ表示に適切なモードです。

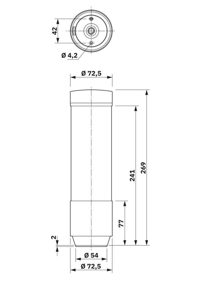
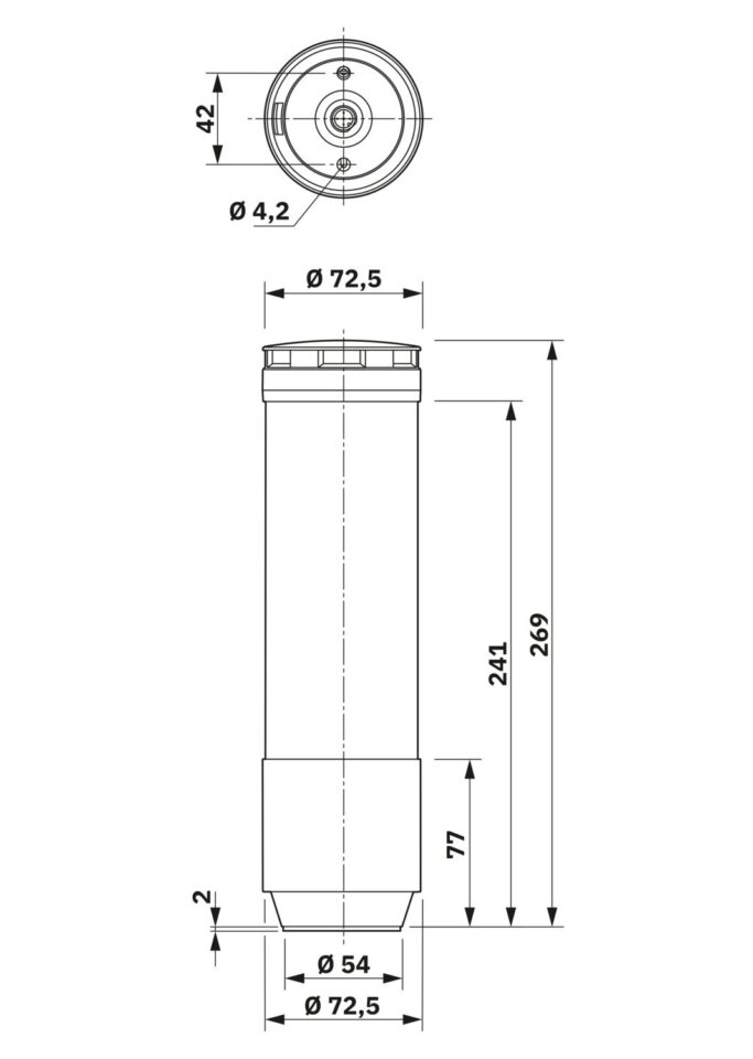
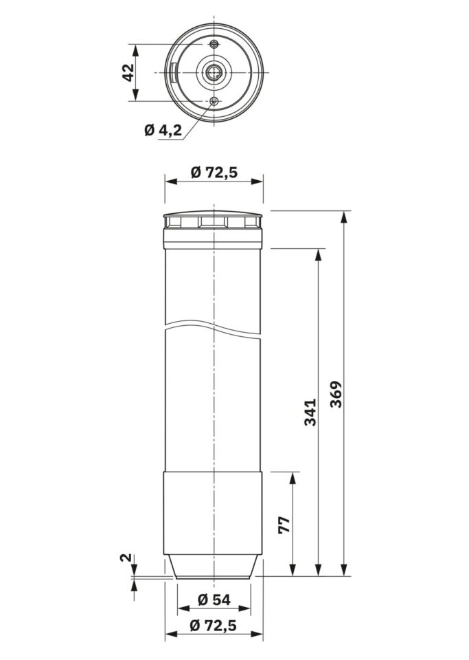
寸法図



PSD-SC IOL S9
(1801972)
PSD-SC IOL S9 AE
(1801971)
PSD-SC IOL S15 AE
(1801970)
ラインアップ

製品番号 型式 詳細
1801972 PSD-SC IOL S9 9セグメントLED積層信号灯
1801971 PSD-SC IOL S9 AE 9セグメントLED積層信号灯、サイレン付
1801970 PSD-SC IOL S15 AE 15セグメントLED積層信号灯、サイレン付
アクセサリ
ブラケット取付け:
チューブ取付け:
関連製品:IO-Linkマスタ
本製品はIO-Linkデバイスの為IO-Linkマスタに接続してで動作します。下記のリンクでIP20からIP69仕様IO-Linkマスタを紹介します。
<<IP69仕様含めてIO-Linkマスタの豊富なラインアップ>>

参照
関連リンク
関連製品記事:
明るく屋外使用も可能な小型産業用LED信号灯【 PSD-SL 】
タッチスイッチ機能付きIP67/IP69 複合LED信号灯【 PSD-SL 】
色を自由に組み合わせられるモジュラ積層信号灯システム【 PSD-S 50 / PSD-S 】
カタログ類:
フライヤ:産業用LED信号灯 – PSD-SC シリーズ (PDF)
パンフレット:産業用LED照明・信号灯パンフレット (PDF)
製品ページ:
PSD-SC IOL S9 (1801972)
LED積層信号灯、9セグメント、IO-Link対応
https://www.phoenixcontact.com/ja-jp/products/signal-tower-psd-sc-iol-s9-1801972
PSD-SC IOL S9 AE (1801971)
LED積層信号灯、9セグメント、サイレン付き、IO-Link対応
https://www.phoenixcontact.com/ja-jp/products/signal-tower-psd-sc-iol-s9-ae-1801971
PSD-SC IOL S15 AE (1801970)
LED積層信号灯、15セグメント、サイレン付き、IO-Link対応
https://www.phoenixcontact.com/ja-jp/products/signal-tower-psd-sc-iol-s15-ae-1801970






